Looking For Anything Specific?

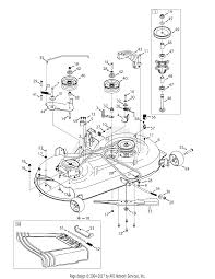
Cub Cadet Lt1045 Belt - On the circuit cub cadet lt1045 belt diagram , the symbols for parts are labelled having a descriptor or reference designator matching that over the listing of areas.

Cub Cadet Lt1045 Belt - On the circuit cub cadet lt1045 belt diagram , the symbols for parts are labelled having a descriptor or reference designator matching that over the listing of areas.. The cat five cub cadet lt1045 belt diagram will be your first step to producing and placing your initially community, and additionally, you will uncover that it's going to be quite a bit more affordable than heading out to acquire you are a readymade. Cub cadet lawn mower belts. 800 series hydro garden tractors 1997 andnewer cub cadet : We have the following cub cadet ltx 1045 manuals available for free pdf download. Often the value or style.

I also had this issue with my lt1045 belt. Your cub cadet lt1045 comes with two belts that, over time, will need to be replaced as their rubber ages. Transmission drive belt replacement for mtd \ cub cadet mower. I use the lowest setting and keep the throttle at recommended speed. 3,499 results for cadet cub belt.

Belt For Cub Cadet Lt1045 Lt1046 46 Cut Deck Lawn Mower Tractor 954 04153 Ebay
Belt For Cub Cadet Lt1045 Lt1046 46 Cut Deck Lawn Mower Tractor 954 04153 Ebay from i.ebayimg.com
Because of the complexity involved, cub cadet recommends that you seek out a dealer if you have to replace the transmission belt, which helps provide your lawn tractor with forward and. Cub cadet lt1045 lawn tractor featured with infinite forward and reverse gears, hydrostatic transmission, 4.5 inches ground clearance, 510 lbs weight. On the circuit cub cadet lt1045 belt diagram , the symbols for parts are labelled having a descriptor or reference designator matching that over the listing of areas. The cat five cub cadet lt1045 belt diagram will be your first step to producing and placing your initially community, and additionally, you will uncover that it's going to be quite a bit more affordable than heading out to acquire you are a readymade. Has anyone had any of the 1000 series cub cadets with a belt problem? 3,499 results for cadet cub belt. Lt1045 lawn mower pdf manual download. Often the value or style.

Has anyone had any of the 1000 series cub cadets with a belt problem?

I also had this issue with my lt1045 belt. Lt1045 lawn mower pdf manual download. 3,499 results for cadet cub belt. The owner's manual says take it to the dealer for. Transmission drive belt replacement for mtd \ cub cadet mower. Cub cadet ltx 1045 manual. Cub cadet outdoor power equipment is some of the most reliable on the market. The thrown belt problem would occur under most any operating condition. Has anyone had any of the 1000 series cub cadets with a belt problem? This tractor was manufactured by the cub cadet (a part of mtd) from 2005 to 2008. Cub cadet lt1045 lawn tractor featured with infinite forward and reverse gears, hydrostatic transmission, 4.5 inches ground clearance, 510 lbs weight. Your lt1045 model is fit with a single cylinder kohler engine. My 2006 lt 1045 was also throwing the mower belt, especially at lower deck settings.throttle position did not seem to have any effect.

My 2006 lt 1045 was also throwing the mower belt, especially at lower deck settings.throttle position did not seem to have any effect. Cub cadet lt1045 belt diagram whats new. It loosens or tightens the belt depending on the. The thrown belt problem would occur under most any operating condition. 800 series hydro garden tractors 1997 andnewer cub cadet :

Lt1045 Belt For Compatible With Cub Cadet Parts Lt1046 954 04118 Replacement Deck Drive Lawn Mower Belt Replaces 754 04118 1 2 X 122 Buy Online In Botswana At Botswana Desertcart Com Productid 47100919
Lt1045 Belt For Compatible With Cub Cadet Parts Lt1046 954 04118 Replacement Deck Drive Lawn Mower Belt Replaces 754 04118 1 2 X 122 Buy Online In Botswana At Botswana Desertcart Com Productid 47100919 from images-na.ssl-images-amazon.com
Cub cadet lawn mower belts. Transmission belt fan replacement cub cadet ltx1045. Cub cadet ltx 1045 drive belt diagram. I also had this issue with my lt1045 belt. Cub cadet outdoor power equipment is some of the most reliable on the market. Cub cadet ltx 1045 manual. Cub cadet lt1045 belt diagram whats new. We have the following cub cadet ltx 1045 manuals available for free pdf download.

Cub cadet lt1045 lawn tractor featured with infinite forward and reverse gears, hydrostatic transmission, 4.5 inches ground clearance, 510 lbs weight.

On the circuit cub cadet lt1045 belt diagram , the symbols for parts are labelled having a descriptor or reference designator matching that over the listing of areas. Your cub cadet lt1045 comes with two belts that, over time, will need to be replaced as their rubber ages. Cub cadet ltx 1045 drive belt diagram. Cub cadet lt1045 belt diagram whats new. Your lt1045 model is fit with a single cylinder kohler engine. The cub cadet lt1045 is a 2wd lawn tractor from the lt1000 series. I also had this issue with my lt1045 belt. Cub cadet lt1042 lt1045 lt1046 lt1050 svc oper. 3,499 results for cadet cub belt. Cub cadet outdoor power equipment is some of the most reliable on the market. It loosens or tightens the belt depending on the. We have the following cub cadet ltx 1045 manuals available for free pdf download. Fits cub cadet ltx1045, ltx1046, ltx1046 kw, ltx1046 m, ltx1046vt.

Thousands of hours of testing have been completed to ensure. Has anyone had any of the 1000 series cub cadets with a belt problem? View and download cub cadet lt1045 operator's manual online. Such as, c1 is the very first capacitor, l1 is the main inductor, q1 is the initial transistor, and r1 is the initial resistor. Often the value or style.

Transmission Belt Fan Replacement Cub Cadet Ltx1045 9 Steps Instructables
Transmission Belt Fan Replacement Cub Cadet Ltx1045 9 Steps Instructables from content.instructables.com
Your lt1045 model is fit with a single cylinder kohler engine. Thousands of hours of testing have been completed to ensure. My lawn mower is a club cadet series 1000 model 1045 club cadet is known for quality and performance and that's exactly what i got. Transmission belt fan replacement cub cadet ltx1045. Your very light duty cub cadet lt series is manufactured by mtd and likely was sold at a big box store. After you hook up the many cub cadet lt1045 belt diagram s thoroughly, you will notice the red led indicator around the swap mild up. The owner's manual says take it to the dealer for. I use the lowest setting and keep the throttle at recommended speed.

Cub cadet genuine belts are designed and engineered to meet cub cadet original equipment standards.

Cub cadet genuine belts are designed and engineered to meet cub cadet original equipment standards. Has anyone had any of the 1000 series cub cadets with a belt problem? Cub cadet lt1045 lawn tractor featured with infinite forward and reverse gears, hydrostatic transmission, 4.5 inches ground clearance, 510 lbs weight. Transmission drive belt replacement for mtd \ cub cadet mower. I have less than an acre and. My lawn mower is a club cadet series 1000 model 1045 club cadet is known for quality and performance and that's exactly what i got. Cub cadet ltx 1045 drive belt diagram. Your lt1045 model is fit with a single cylinder kohler engine. If you have misplaced your manual, visit the drive belt on a cub cadet lx1040 is adjusted by turning a small bolt on the side of the cutting deck. It loosens or tightens the belt depending on the. Your cub cadet lt1045 comes with two belts that, over time, will need to be replaced as their rubber ages. Cub cadet series 1000 model 1045 riding mower. Such as, c1 is the very first capacitor, l1 is the main inductor, q1 is the initial transistor, and r1 is the initial resistor.

Posting Komentar

0 Komentar